در این پست از سایت اِمیک, مدار یک امپلی فایر (تقویت کننده) صوتی استریو با استفاده از ای سی TDA2009 قرار داده شده است که این مدار دارای قدرت خروجی 10 وات در هر کانال می باشد. در زیر ترتیب پایه های ای سی امپلی فایر TDA2009 را مشاهده می کنید:

TDA2009 یک ای سی امپلی فایر بسیار خوب و با کیفیت است که در خروجی خود صدایی قوی و با کیفیت تولید می کند. این ای سی دارای ویژگی های بسیار خوبی مانند محافظ جریان خروجی, محافظ حرارتی و… می باشد. در ادامه شماتیک این مدار امپلی فایر را مشاهده می کنید:

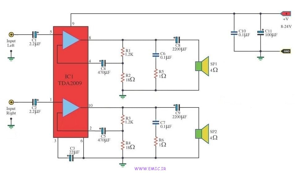
برای دیدن تصویر بالا در اندازه بزرگتر ان را ذخیره کنید. خازن های C1 و C2 خازنهای کوپلاژ هستند که برای جلوگیری از ورود ولتاژ DC به پایه های ورودی ای سی (پایه های غیر معکوس ساز) استفاده شده اند. همچنین خازنهای C8 و C9 خازنهای کوپلاژ خروجی هستند و خازنهای C4 و C5 نیز خارنهای کوپلاژ حلقه فیدبک هستند. مقاومت های R1/R2 (و R3/R4) سطح فیدبک را تعیین می کنند. گین یا بهره از رابطه 1+(R1/R2) بدست می اید.
ولتاژ تغذیه مدار بالا می تواند در محدوده 8 تا 24 ولت DC با جریان 1 تا 2 امپر باشد, ولی برای اینکه در خروجی مدار بالا بتوانید قدرت 10 وات را در هر کانال دریافت کنید باید از منبع تغذیه با ولتاژ حداقل 20 ولت DC با جریان 1.5 امپر استفاده کنید.
نکته: برای ای سی TDA2009 از یک هیت سینک مناسب استفاده کنید. یک PCB مناسب نیز برای مدار بالا طراحی شده که از انتهای مطلب قابل تهیه است.

لیست قطعات:
- مقاومت R1,R3=1.2K اهم
- مقاومت R2,R4=18Ω اهم
- مقاومت R5,R6=1Ω اهم
- خازن الکترولیت C1,C2=2.2uF/25V
- خازن الکترولیت C3=22uF/25V
- خازن الکترولیت C4,C5=470uF/25V
- خازن الکترولیت C8,C9=2200uF/35V
- خازن الکترولیت C11=100uF/35V
- خازن عدسی C6,C7,C10=100nF
- ای سی U1=TDA2009 به همراه هیت سینک مناسب
- دو عدد بلندگوی 4 اهم 10 وات (SP1,SP2)
- دو عدد ترمینال پیچی 2 پین برای اتصال ورودی صوتی چپ و راست به مدار (Input Right,Input Left)
- ترمینال پیچی 2 پین برای اتصال تغذیه مدار (V+=8to24V)
فایل PCB طراحی شده برای مدار آمپلی فایر 10 وات استریو با آی سی TDA2009 را می توانید از طریق دکمه زیر پرداخت و دانلود کنید.
» پس از پرداخت شما به صفحه دانلود هدایت می شوید و می توانید فایل مورد نظر خود را دانلود کنید. همچنین ایمیلی حاوی لینک دانلود به ایمیل شما ارسال خواهد شد.
- فایل پروتئوس شامل: فایل های طراحی PCB مدار با نرم افزار پروتئوس, مناسب ساخت PCB به روش اتو به همراه راهنمای ساخت PCB
- فایل آلتیوم شامل: فایل های طراحی PCB مدار با نرم افزار آلتیوم (ﭘﺮوﺗﻞ) آماده ارائه به شرکت های چاپ PCB
✓ تضمین کیفیت PCB ✓ طراحی یک لایه PCB ✓ طراحی شده بر اساس قطعات موجود در بازار ایران
مدارهای مشابه:
- مدار تقویت کننده صوتی با NE555
- مدار تقویت کننده صوتی با ای سی LM386
- مدار آمپلی فایر 2 وات با آی سی TBA820
- مدار تقویت کننده صوت ( Audio Amplifier )
- مدار آمپلی فایر 14 وات با TDA2030
- مدار آمپلی فایر 40 وات با ای سی TDA2040
- مدار آمپلی فایر ساده با LM386
- مدار بلندگوی دستی
- مدار پاور آمپلی فایر صوتی با ای سی LM386
- مدار آمپلی فایر قدرت استریو 38 وات
- مدار پری آمپلی فایر استریو با tda1524a
- مدار امپلی فایر 10 وات با TDA2003
- مدار آمپلی فایر قدرت 200 وات با IC TDA7293
نظر یادتون نره…





سلام من مدار رو زدم ولی وقتی صدا رو زیاد میکنم خش خش میکنه بلندگو تویتر ۱۰ ولت ۸ اوهم هم هست یک بلندگو که نمیدونم واتش چقدره زدم بازم خش خش میکنه
سلام
نویز و نوسان تغذیه مدار, کیفیت پایین برد مدار و لحیم کاری بد, استفاده زیاد از روغن لحیم از عواملی هستند که باعث نویز و کاهش کیفیت صدای خروجی امپلی فایر می شوند.
باسلام و عرض درود من یک ترانس تبدیل 220 ولت به 9 ولت و ۲۰۰۰ میلی آمپر دارم آیا برای این کار مناسب است ؟؟؟؟ برای هربلند گو ۱۰ وات میخواهم .
سلام, بله جواب می دهد ولتاژ ترانس را می توانید پس از تبدیل به DC به مدار اعمال کنید ولی همانطور که گفته شده برای حداکثر توان باید از ولتاژ تغذیه حداقل 20 ولت DC استفاده کنید که ترانس 9 ولت پس از تبدیل به DC ولتاژ حدود 12 ولت را ایجاد می کند و در نتیجه توان خروجی مقداری کمتر خواهد بود.